回收溴化锂制冷机,回收双良溴化锂
 
单效溴化锂吸收式制… 2026-4-28
溴化锂直燃机日常运… 2026-4-17
溴化锂溶液循环量对… 2026-4-8
溴化锂机组的防腐缓… 2026-3-30
如何通过浓度优化溴… 2026-3-20
溴化锂浓度与溶液循… 2026-3-12
 
如果您有什要求或建议,将详细内容填入表
格,我们的客服会尽快
回复给您,帮您解决疑
难问题,谢谢您对我们
长久的支持!
 
如果您有任何意见和建议可致信我们的邮箱
我们将及时回复您的邮件,
同时谢谢您对我们的支持!
【点此进入邮箱】
 
 
活塞式制冷压缩机运转前准备和开停机操作
发布者:韩工  发布时间:2013-07-14 18:15:16  点击:4339
活塞式制冷压缩机运转前准备
    一、训练目的
    掌握活塞式制冷压缩机运转前准备工作的方法与步骤,能够使机房达到安全运行的条件,熟练进行开机前各项检查。
    二、训练器材
    1.活塞式制冷压缩机1台;
    2.压缩机配套使用说明书;
    3.丁作服;
    4.手套;
    5.16mm×400mm钢管1根。
        三、训练环境
    “活塞式制冷压缩机运转前准备操作训练”为现场训练,在活塞式制冷机房或模拟机房进行。
    (一)机房工作环境
    制冷压缩机的机房应保持良好的工作环境,机房内和压缩机上不允许有杂物,不允许有火源。机房内的维修器材、工具应整理放人工具柜,否则不能开启压缩机。
    (二)机房通风与照明检查
    机房保持良好的通风与照明是安全运行的必要条件,如机械通风与照明中有任何一项缺陷,压缩机也不允许启动。机房中固定的通风与照明装置不可以长时间用可移动装置替代。
    四、训练内容与步骤
    (一)准备工作
    穿戴好工作服、防护用品、带上工作日志。
    (二)机房工作环境检查
    1.检查机房内有无杂物,有无可燃物,如有应清理;
    2.检查机房内有无火源,如有应移出机房;
    3.检查机房内有无未整理的维修器材、_丁具,如有应进行整理。
    (三)机房通风与照明检查

    压缩机启动前,须首先检查机房通风是否良好,排风扇运行是否正常,有无发热、异常噪声,然后再检查机房照明是否良好。 

   (四)查看上一班的运行记录

    阅读上一班的运行记录,注意上一班的运行参数是否正常,有无故障和排除记录,有无检修记录,有无留言注意事项。
    (五)检查电源、冷却水和冷冻水
    1.合上控制柜上的电源总开关,检查电压表的读数,并进行记录,确认电压在361—418V之间、确认三相不平衡率小于2%;
    2.检查冷却水蓄水池中的水量;
    3.检查冷却水系统各阀门的位置是否处于全开位置;
    4.检查蒸发器冷冻水进水、出水阀门的位置是否处于全开位置;
    5.系统中各压力表阀是否处于全开位置,各安全阀前的截止
阀是否处于全开位置;
    6.能量调节装置是否处于“0”位。
    (六)润滑油检查
    1.检查压缩机油槽的油位,如压缩机为双视镜,油位应在下部视镜的2/3以上,在上视镜的1/3以下;如压缩机为单视镜,油位应在视镜的1/2~2/3之间;不足时应进行加油;
    2.使用R22等氯氟烃类制冷剂的压缩机,需检查压缩机油温是否在30~50℃,如油温低于30℃,应开启油加热器对润滑油进行加热。
    (七)盘车与点动
    1.将钢管插入联轴器外缘的孔中,人工转动联轴器2圈;
    2.接通总电源;
    3.按一下启动按钮,注意联轴器转向是否正确;
    4.如转向不对,将三相电机的电源进线中任意两根互换;
    5.如转向正确,准备工作结束。

 活塞式制冷压缩机开停机操作
一、训练目的    熟练掌握活塞式制冷压缩机开停机的方法与步骤,能正确开机与停机,能保持活塞式制冷压缩机正常运行,能调节活塞式制冷压缩机的性能。
    二、训练器材
    1.活塞式制冷压缩机1台;
    2.压缩机配套使用说明书;
    3.工作服;
    4.手套。
    三、训练环境

    “活塞式制冷压缩机运转前准备操作训练”为现场训练,在活塞式制冷机房或模拟机房进行。

    四、相关原理

    (一)活塞式压缩机制冷系统正常运行的标志
    1.压缩机油槽的油位在视镜的1/8~3/8之间;
    2.压缩机油温为35~55℃;
    3.轴承温度应低于65℃;
    4.电动机温度应低于65℃;
    5.运转电流不大于使用说明书规定满负荷电流的110%;
    6.冷凝压力所对应的制冷剂饱和温度(由制冷剂性质查出)与冷凝温度之差不大于】.5℃;
    7.高压贮液器的液位不高于80%,不低于30%?
    8.低压循环贮液器液位不超过70%;
    9.氨液分离器液位不超过50%;
    10.排液桶液位低于20%。
    (二)活塞式压缩机制冷系统正常运行时各阀门的状态
    正常运行时,氨制冷系统中低压部分各调节站阀门的状态见表2-1,高压调节站阀门的状态见表2—2,各主要设备上阀门的状态见表2—3。   



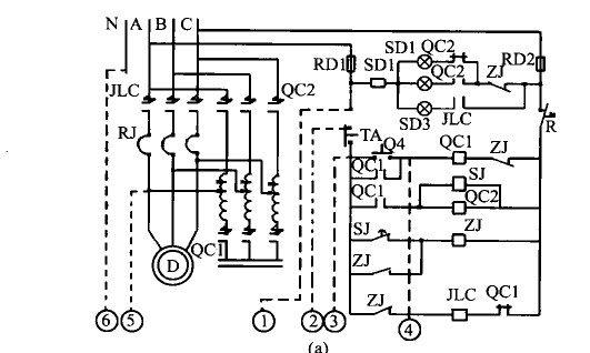
(三)启动与控制电路
    以国产Xq0135-55启动柜和zk-3c控制柜为例,电路如图2-1所示。
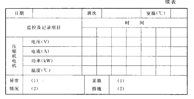
 (四)操作记录
    活塞式制冷压缩机正常运行每两小时应记录一次运行参数,操作记录的推荐格式见表2-4。



五、训练内容与步骤
    (一)单级活塞式压缩机开机操作步骤
    1.接通控制柜电源;
    2.打开冷凝器进出水阀、通向压缩机冷却水套的迸水阀,启动水泵,观察水泵进m水压力差以及水压的稳定性,如进出水压力差过大,应检查水管路上的阀门是否开启、水过滤器中的滤网是否堵塞;如水压不稳定,则应排放水管路中的空气,直至水压稳定;
    3.启动水冷却塔风机,观察运行是否平稳、是否有异常噪声;
    4.将压缩机能量调节阀置于“0”位;
    5.将排气阀开至,然后倒回1/2圈;
    6.按下肩动按钮;
    7.将压缩机能量调节阀调火1档,吸入压力降低到正常蒸发压力时,缓慢打开进气阀,开至后倒回1/2圈;
    8.填写操作记录。
    (二)单机双级活塞式压缩机开机操作步骤
    1.接通控制柜电源;
    2.打开冷凝器进出水阀、通向压缩机冷却水套的进水阀,启动水泵,观察水泵进出水压力差以及水压的稳定性,如进出水压力差过大,应检查水管路上的阀门是否开启、水过滤器中的滤网是否堵塞;如水压不稳定,则应排放水管路中的空气,直至水压稳定;
    3.启动水冷却塔风机,观察运行是否平稳、是否有异常噪声;
    4.将压缩机能量调节阀置于“O”位;
    5.将低压级与高压级排气阀开至,然后倒回1/2圈;
    6.按下启动按钮;
    7.高压级吸入压力降低到正常中间压力时,缓慢打开进气阀,
开至后倒回1/2囤;
    8.将压缩机能量调节阀调大1档,低压级吸人压力降低到正常蒸发压力时,缓慢打开进气阀,开至后倒回1/2圈;
    9.填写操作记录。
   (三)制冷压缩机正常运行观察
    1.保持运行参数稳定,如冷凝压力过高则调大冷却水量,冷凝压力低则调小冷却水量,蒸发温度依靠能量调节阀进行调节;
    2.填写操作记录。
    (四)单级活塞式压缩机停机操作步骤
    1.按下停机按钮;
    2.依次将压缩机进、排气阀关闭;
    3.关闭水泵;
    4.关闭冷凝器进出水阀、通向压缩机冷却水套的迸水阀;
    5.关闭水冷却塔风机;
    6.填写操作记录。
    (五)单机双级活塞式压缩机停机操作步骤
    1.按下停机按钮;
    2.依次将低压级进、排气阀关闭;
    3.依次将高压级进、排气阀关闭;
    4.关闭水泵;
    5.关闭冷凝器进出水阀、通向压缩机冷却水套的进水阀;
    6.关闭水冷却塔风机;
    7.填写操作记录。
上一页:江苏双良开发的产品:带有发生器冷剂蒸汽调控防冻装置的溴化锂吸收式制冷机
下一页:用于溴化锂机组配套的冷却塔组成部分,附制冷单位、常用符号名称表
    
版权所有: 无锡中央空调回收网-专业从事:回收溴化锂制冷机,回收双良溴化锂 Tel:0510-88725458 fax:0510-88725458
E-mail:sales@wxzykd.com 溴化锂中央空调,二手溴化锂冷水机组,回收大连三洋溴化锂,溴化锂冷水机组,回收溴化锂中央空调